宽带RF直调DFB激光器
应用

射频拉远,跟踪遥测及控制,雷达电子对抗

产品咨询
详细信息

宽带RF直调DFB激光器


一、宽带RF直调DFB激光器的定义

1、宽带RF直调DFB激光器,是一种集成了射频调制功能的分布式反馈(Distributed Feedback, DFB)激光器。它结合了DFB激光器的稳定性和射频调制的灵活性,能够在宽频率范围内实现高效、稳定的光信号调制。这种激光器通过内置的衍射光栅,选择性地放大并输出特定波长的光,同时,通过射频信号的直接调制,可以动态地改变光信号的强度、频率或相位,从而满足各种复杂通信和传感应用的需求。
2、宽带RF直调DFB激光器Inno-8102 DFB是采用InGaAs/InP制作的MQW DFB激光器组件,集成了激光器组件、光隔离器,TEC,热敏电阻、监控光电二极管和宽带直流偏置,采用气密性7-PIN封装。
二、宽带RF直调DFB激光器特性
带宽
低噪声

三、宽带RF直调DFB激光器最大值额定参数

    参数
符号
条件
最小值
最大值
单位
    LD反向电压
Vr
--2V
    MPD反向电压
Vpd
--20V
    储存温度
Ts
--55+85
    工作温度
To
--40+70
    TEC电流
|tec
--1.5A
    RF输入最大功率
Pin
--20dBm


宽带RF直调DFB激光器性能参数

     参数
符号
条件
最小值
典型值
最大值
单位
    阈值电流
Ith
CW
--40
mA
    工作电流
Iop
CW
-60110
mA
    输入阻抗
ZIN
IF=Iop
-50-Ω
    热敏电阻
RTH
@+25℃
9.5
1010.5

    中心波长
 λc
CW,IF=Iop
-1310/1550
-nm
    输出光功率 
PO
CW,IF=Iop
-10
-mW
    边模抑制比
SMSR
CW,IF=Iop
35--dB
    相对强度噪声
RIN
100MHz-18GHz
--150
-dB/Hz
    监控电流
Im
-50
-uA
    光隔离
ISO
--32
-dB
    带宽
S21
-18
-GHz
    回波损耗
S11
---10
-dB
    输入IdB压缩点
P1dB
--15
20dBm
    光纤类型
单模光纤SMF28e;直径900μm;光纤长度:  1m


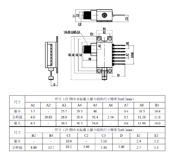
产品尺寸

宽带RF直调DFB激光器产品尺寸引脚定义

测试曲线

测试曲线


v88体育qcom光电宽带RF直调DFB激光器采购信息

波长
调整带宽
光纤类型
连接头
27-37:1270-1370nm
C16-C62:ITU波长通道
XX=XX
06-6GHZ
12-12GHZ
18-18GHZ
SM=单模光纤
PM=保偏光纤
FC=FC/APC

宽带RF直调DFB激光器拓展资料:
一、宽带RF直调DFB激光器的工作原理
宽带RF直调DFB激光器的工作原理基于DFB激光器的光栅反馈机制和射频信号的调制原理。在DFB激光器中,光栅结构对光波进行周期性调制,使得只有满足布拉格波长条件的光波才能在腔内建立起稳定的振荡。当射频信号加载到激光器上时,它会引起激光器内部电场的变化,进而改变有源层中载流子的分布和复合速率,从而实现对光信号的调制。
具体来说,射频信号通过外部电路输入到激光器中,与激光器的直流偏置相结合,共同控制有源层中的载流子浓度。当射频信号的频率和幅度发生变化时,载流子的复合速率也会相应改变,导致光信号的强度、频率或相位发生调制。这种调制过程具有高速、低损耗和宽带宽的特点,使得宽带RF直调DFB激光器在高速通信和精密传感领域具有显著优势。
二、宽带RF直调DFB激光器的应用范围
宽带RF直调DFB激光器在多个领域展现出了广泛的应用前景。在光通信系统中,它作为高速数据传输的关键组件,能够支持更高的传输速率和更远的传输距离。在微波光子学领域,宽带RF直调DFB激光器被用于实现微波信号的光域处理和传输,为雷达、电子对抗和卫星通信等应用提供了强有力的技术支持。
此外,宽带RF直调DFB激光器还在光纤传感系统中发挥着重要作用。通过调制光信号的强度和相位,可以实现对温度、压力、应变等物理量的高精度测量。这种传感器具有体积小、重量轻、抗电磁干扰和易于集成等优点,被广泛应用于航空航天、石油勘探、环境监测和医疗诊断等领域。
三、v88体育qcom光电宽带RF直调DFB激光器的生产制造优势
1、先进的生产工艺:我们采用先进的生产工艺和设备,确保产品的稳定性和可靠性。通过精确控制生产过程中的各项参数,我们可以实现产品性能的最优化。
2、高质量的材料选择:我们选用高品质的材料和组件,确保产品的性能和寿命。这些材料具有优异的物理和化学性能,能够在恶劣的工作环境中保持稳定的性能。
3、定制化的解决方案:我们提供定制化的解决方案,根据客户的具体需求进行产品设计和生产。这种灵活性使得我们能够满足不同领域和不同应用场景的需求。
4、完善的售后服务:我们提供完善的售后服务和技术支持,确保客户在使用过程中得到及时、专业的帮助。我们的销售团队和技术支持团队随时准备为客户解答疑问,提供全方位的技术支持。

返回列表
为您推荐