机械式光开关1X2
机械式光开关1X2产品具有高可靠性、低插入损耗、高回波损耗、快速响应、易于集成和维护等特点,主要应用于光网络保护与恢复、光信号路由与分配、光信号测试与监测、光网络优化与升级等领域
产品咨询
详细信息

机械式光开关1x2

一、机械式光开关1x2的定义
机械式光开关1x2,顾名思义,是一种具有一个输入端口和两个输出端口的机械式光路转换器件。它能够通过物理移动或切换内部的光学元件,灵活地在两个输出端口之间选择性地传输光信号。这种开关以其低插入损耗、高回波损耗、高消光比以及高可靠性和稳定性而著称,是光通信系统中实现光信号路由、保护和恢复的关键设备。
二、机械式光开关1x2的特点
1、高可靠性:机械式结构具有较高的稳定性和耐用性,能够在恶劣环境下长时间稳定工作,确保光信号的稳定传输。
2、低插入损耗:得益于精密的机械设计和优质的光学元件,机械式光开关1x2在切换过程中引入的插入损耗极低,有利于保持光信号的传输质量。
3、高回波损耗:机械式光开关1x2在切换过程中能够有效减少反射光信号的干扰,提高回波损耗,确保光信号的纯净传输。
4、快速响应:机械驱动系统具有极快的响应速度,能够在短时间内完成光信号的切换,满足高速光通信系统的需求。
5、易于集成和维护:机械式光开关1x2的体积小巧,易于集成到光通信系统中,同时其结构简单,便于维护和调试。

三、机械式光开关1x2的技术参数

     参数
单位
规格
    波长
nm
1260-1650
    插入损耗(最大值)
dB
≤0.8
    回波损耗
dB
≥50
    可重复性
dB
≤ 0.02
    串扰
dB
≥50
    偏振相关损耗
dB
≤ 0.05
    温度相关损耗
dB
≤ 0.25
    工作温度

 -20~70
    储存温度

-40~85
    切换时间
ms
≤5
    使用寿命
Cycle
≥107
    光功率
mw
≤500
    控制电压
V
3 or 5
    规格锁定/非锁定
    光纤类型
单模,G657

    尾纤长度
1±0.05 M

    连接器类型
LC/APC

    注意
1.损耗基于23℃、中心波长±50nm的测试结果。多频带增加0.2dB。
2.重复性是在100次循环后定义的.
3.不包括连接器,连接器的插入损耗增加0.2dB.

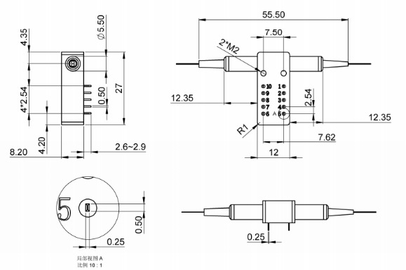
尺寸图

尺寸图


引脚定义

引脚定义


Type
Status
Optical Path
Electric Drive
Status Sensor
D1x2


Pin 1
Pin 5
Pin 6
Pin 10
Pin 2-3
Pin 3-4
Pin 7-8
Pin 8-9
Latching
A C1→O1, C2→O2
--
--
GND
V+
Close
Open
Open
Close
BC1→O3, C2→O4
V+
GND
--
--
Open
Close
Close
Open
Non-Latching
AC1→O1, C2→O2
--
--
--
--
Close
Open
Open
Close
BC1→O3, C2→O4
V+
--
--
GND
Open
Close
Close
Open

电流和电阻参数


Specification
Voltage
Current
Resistance
5V
Latching
4.5~5.5V
36~44mA
125Ω
5V
Non-Latching
4.5~5.5V
26~32mA
175Ω


v88体育qcom光电机械式光开关1X2订货信息

ABCDEFGH
Port type
Fiber Type
Control Voltage
Test Wavelength
Switch Type
Tube Type
Fiber Length
Connector
1×1
1×2
2×2B
2x2F
D1×2
D2×2B

单模

保偏

多模

3:3V
5:5V
850:850nm
1310:1310nm
1550:1550nm
1315:1310&1550nm
L:Latching
N:Non-Latchig
25:250um
90:900um
Others
05:0.5m±5cm
10:1.0m±5cm
15:1.5m±5cm
Others
OO: None
FP: FC/PC
FA: FC/APC
SP: SC/PC
SA: SC/APC
LP: LC/PC
LA: LC/APC
X: Others

机械式光开关1x2拓展资料
一、机械式光开关1x2的工作原理
机械式光开关1x2的工作原理基于精密的机械结构设计。当外部控制信号(如电信号)作用于开关时,会驱动内部的机械部件(如微型马达或弹簧片)发生移动,从而改变光路的走向。具体来说,当输入光信号进入开关后,根据控制信号的状态,光信号会被引导至两个输出端口中的一个,实现光信号的切换和分配。这种切换过程通常具有极快的响应时间和极低的损耗,保证了光信号的高质量传输。
二、机械式光开关1x2的应用范围
机械式光开关1x2在光通信领域具有广泛的应用前景,具体体现在以下几个方面:
1、光网络保护与恢复:在光网络中,机械式光开关1x2可用于实现光信号的快速切换和保护。当主路由出现故障时,开关能够迅速将光信号切换至备用路由,确保通信的连续性和稳定性。这种保护机制对于提升网络可靠性和生存能力具有重要意义。
2、光信号路由与分配:在复杂的光网络中,机械式光开关1x2能够灵活地在多个输出端口之间选择性地传输光信号,实现光信号的精确路由和分配。这对于构建高效、灵活的光网络架构具有重要意义。
3、光信号测试与监测:在光纤测试系统和监测系统中,机械式光开关1x2也发挥着重要作用。它可以将待测试或监测的光信号引入测试仪器或监测设备中,方便对光信号进行精确测量和分析。同时,其高稳定性和可靠性也保证了测试结果的准确性和可靠性。
4、光网络优化与升级:随着光通信技术的不断发展,机械式光开关1x2在光网络优化和升级中也扮演着重要角色。它可以根据网络需求动态调整光信号的传输路径和功率分配,实现光网络的智能化管理和优化。     

返回列表
为您推荐