1×4 1x8双向磁光开关
1×4 1x8双向磁光开关具有高性能切换、高稳定性、低功耗、灵活配置等特点,主要应用于无源光网络(PON)、光保护系统、测量系统、网络监控等领域
产品咨询
详细信息

1×4 1x8双向磁光开关

一、1×4 1x8双向磁光开关的定义
1×4与1×8双向磁光开关,顾名思义,是基于磁光效应实现光信号切换的光电器件。它们分别具有一个输入端口和四个或八个输出端口,通过外加磁场的控制,能够灵活地将输入光信号切换至任意一个或多个输出端口。这种双向切换的特性,使得1×4与1×8双向磁光开关在光通信网络中扮演着至关重要的角色。
二、1×4 1x8双向磁光开关的特点
1、高性能切换:1×4与1×8双向磁光开关具有极快的切换速度,通常在微秒级别,能够满足高速光通信系统的需求。同时,其低插入损耗和低偏振相关损耗确保了光信号的高质量传输。
2、高稳定性:由于采用全固态设计,没有机械活动部件,1×4与1×8双向磁光开关具有极高的稳定性和可靠性,能够长期稳定运行。
3、低功耗:磁光效应的实现无需高功耗的驱动电路,使得1×4与1×8双向磁光开关的功耗极低,有助于降低整个光网络系统的能耗。
4、灵活配置:通过编程控制,1×4与1×8双向磁光开关可以灵活配置切换模式,实现光信号的任意组合输出,满足复杂光网络的需求。

三、1×4 1x8双向磁光开关的技术参数

    规格
单位参数
不可逆
可逆
    波长范围
nm
1525 ~ 1565

    插入损耗
dB
2.0 (Typ.); 3.0 (Max.)

    偏振相关损耗
dB
0.2 (Typ.); 0.3(Max.)

    回损
dB
40
30
    串扰
dB
40
35
    偏振模式色散
ps
0.2

    重复性
dB
+/- 0.01

    持续性
cycles
> 30 Billions

    切换速度
μs
10~30us/200 ~400

    工作温度
°C
-20 ~ 70

    存储温度
°C
-40 ~ 85

    光功率
mW
500

    尺寸(L x W x H)mm90x76x17.5
所有规格的损耗不包括连接头的损耗,并且不包括在特殊环境下的损耗

驱动管脚定义

针脚
Pin1
Pin2
Pin3
Pin4
Pin5
Pin6
定义
VCC
GND
Ctrl 0
Ctrl 1
NA
NA


控制信号和切换状态

1:单向开关切换状态对应的引脚控制信号

Ctrl 0
00110011
Ctrl 1
01010101
Optical Path
IN→OUT 1
IN→OUT 2
IN→OUT 3
IN→OUT 4
OUT4→IN
OUT3→IN
OUT2→IN
OUT1→IN

2:双向开关切换状态对应的引脚控制信号

Ctrl 0
0011
Ctrl 1
0101
Optical Path
INOUT 1
INOUT 2
INOUT 3
INOUT 4

电控参数

     参数
规格
单位
    切换速度
200~400
μs
    开关电压(VCC)
5 (+/-5%)
V
    开关电流
< 200
mA
    脉冲宽度
1000
μs
    损态频率
<800
Hz
备注:超过此驱动电压会损坏器件。

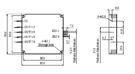
外形尺寸

外形尺寸


v88体育qcom光电1×4  1x8双向磁光开关订购信息

MOS-1×4 -A-B-C-D-E-F

工作模式
开关速度
工作波长
光纤
光纤长度
连接器类型
1.常规
2.双向
1.200~400us
2.10~30us
3. Others
1.C Band 1525~1565 nm
2. L Band 1565-1615 nm
3. C & L Band
4. Others
1.250μm光纤
2. 900μm光纤
3. Others
1.0.5 +/- 0.1 m
2. 1.0 +/- 0.1 m
3. Others
0.无接头/No
1. FC/UPC
2. FC/APC
3. SC/UPC
4. SC/APC
5. Others

1×4与1×8双向磁光开关拓展资料
一、1×4与1×8双向磁光开关的工作原理
1×4与1×8双向磁光开关的工作原理主要基于法拉第旋光效应。当线偏振光沿外加磁场方向通过磁光晶体时,其偏振面会发生旋转。通过精确控制外加磁场的方向和强度,我们可以实现对光信号偏振状态的精确调控,从而实现光路的切换。在1×4与1×8双向磁光开关中,这种偏振状态的改变被巧妙地转化为光信号的输出路径选择,实现了光信号在多个输出端口之间的灵活切换。
二、1×4与1×8双向磁光开关的应用范围
1、无源光网络(PON):在PON系统中,1×4与1×8双向磁光开关可以用于光信号的分配和切换,提高网络的灵活性和可扩展性。同时,其低功耗和高稳定性也确保了PON系统的长期稳定运行。
2、光保护系统:在光网络中,故障检测和恢复是至关重要的。1×4与1×8双向磁光开关可以用于光保护系统,当检测到光信号故障时,能够迅速切换至备用光路,确保光信号的连续传输。
3、测量系统:在光通信系统的测量和测试中,1×4与1×8双向磁光开关可以用于光信号的调制和解调,提高测量的准确性和精度。同时,其灵活的切换功能也为测量系统的设计和实现提供了更多的可能性。
4、网络监控:在光网络监控系统中,1×4与1×8双向磁光开关可以用于光信号的实时监测和分析。通过切换不同的输出端口,可以实现对光网络中不同节点的监控和管理,提高网络的可靠性和稳定性。

返回列表
为您推荐