同轴激光器(1550TEC)

同轴激光器(1550nmTEC)产品具有1550nm直接调制,采用冷却DFB-LD作为发射机、低噪声、低失真、低阈值电流、内置InGaAs/PIN监视器、高可靠性,使用寿命长等特性

产品咨询
详细信息


同轴激光器(1550nm TEC)

一、同轴激光器(1550nmTEC)特性
1550nm直接调制,采用冷却DFB-LD作为发射机
低噪声、低失真、低阈值电流
内置InGaAs/PIN监视器
高可靠性,使用寿命长
二、同轴激光器(1550nmTEC)应用
光发射机
模拟信号的光学发射机
光学Bidi模块和光学收发器
测试设备
三、同轴激光器(1550nmTEC)绝对最大额定值(Tc=25℃)

    参数
符号
参数值
单位
备注
    反向电压(LD)
Vr(LD)
2
V
CW
    正向电流(LD)
If(LD)
120
mA
CW
    反向电压(MPD)
Vr(PD)
15
V
CW
    正向电流(MPD)
If(PD)
2
mA
CW
    储存温度
Tstg
-40~ +85

-
    工作温度
Topr
-20~ +80

-
    铅焊接温度/时间
Ts
260/10
℃/S
-
    光纤抗曲强度
-1
kgf
-
    光纤弯曲半径
-60
mm
-


四、同轴激光器(1550nmTEC)光电特性(Tc=25℃)

    参数
符号
最小
典型
最大
单位
测试条件
    阈值电流
Ith
-8
15
mA
CW
--50
mA
CW,T=85℃
    工作电压
Vf
-1.2
1.5
V
-
    光输出功率
Pf
2
--mW
CW, If=Ith+20mA
    中心波长可选
λc
1529
15321535nm
CW, Po= Pf
    上升/下降时间(20-80%)
Tr/Tf
-
0.2
0.5
nS
If=Ith, Po=Pf, 50 Ohm
    监测电流
Im
100
-1000
uA
CW,P0 = Pf
    电容
C
-
1015
PF
VRD=5V, f=1MHz
    暗电流
Id
--100
nA
VRD=5V
    光谱宽度(-3dB)
Δλ
-0.30.5
nm
CW, If=Ith+20mA
    边坡效率
SE
0.1--W/A
CW, If=Ith+20mA
    误差信号
TE
-1.5-1.5dB
CW,   Im=Constant & If=Ith+20mA
    边模抑制比
SMSR
30--dB
CW, If=30mA
    光隔离
Iso
30--dB

    TEC
Qmax
--0.6W

Imax
--0.9
A

Vmax
--1.2
V

ΔT
-40
K

    热敏电阻
Rth
-9.9-

    相对强度噪声
RIN
---130dB/Hz


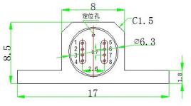
五、同轴激光器(1550nmTEC)LD引脚分配和机械尺寸


LD引脚分配1LD引脚分配2静电防护

机械尺寸


v88体育qcom光电同轴激光器(1550nmTEC)订货信息

封装方式
连接器
激光器
发射波长
出纤功率
LD 管脚
速率
隔离器
P:尾纤型
FA:FC/APC
D:DFB
55:1532nm
20:2.0mW
H:H 型
2:2.5G
G:带隔离





返回列表
为您推荐