850nm多模电可调光衰减器是v88体育qcom光电的一款新的微型可调衰减器,可应用于C或L波段。该光衰减器具有良好的波长平坦度相关性 ,低偏振相关损耗(PDL),并提高了温度稳定性。衰减器为光功率提供了一种经济的解决方案。反射光学允许同侧跳线退出,并使面板易于安装。衰减器采用先进的梯度中性密度滤波器作为衰减元件。调整是通过步进电机的反馈控制终端。步进电机的驱动器以统一的步长上下移动电机,提供精细的分辨率。锁定操作是一个标准功能;移除驱动电压后,保留最近的衰减设置。可选的电阻读数用于过滤器定位。衰减器原理图如图1所示。

图一 原理图
2 光学和电气规格
2.1 850nm多模电可调衰减器
| 参数 | 规格 | 单位 | 备注 |
| 波长范围 | 800~1100 | nm | |
| 衰减范围 | 30 | dB | |
| 响应速度@3dB调整衰减分辨率 | 100 | ms | 电压驱动方式 |
| 衰减分辨率 | 0.2 | dB | 整步 |
| 锁定稳定性 | 0.3 | dB | 根据电机电源开关 |
| 插入损耗 | 1.0 | dB | 带连接头,在波长范围内 |
| 衰减线线性 | 5 | % | 30db@±0.5db |
| 重复性 | 0.1 | dB | 从同一方向接近的随机位置返回到特定衰减时的衰减差异。 注:特定电压/阶跃下的衰减值可能随时间而变化,并且会随单位而变化 |
| 反冲 | 0.2 | dB | |
| 回波损耗@输入/输出 | -25 | dB | 带连接头 |
| 偏振相关损耗@输入/输出 | 0.5 | dB | 在整个调整的波长范围内从输入端口到输出端口测量 |
| 温度相关损耗 | 0.5 | dB | 测量从输入到输出端口@整体调整衰减范围 |
| 偏振模色散@输入/输出 | 0.15 | ps | |
| 承载光功率 | 300 | mW | CW |
2.2 850nm多模电可调衰减器测试方法

2.3 步进电机电气规格
| 参数 | 规格 | 单位 | 备注 | ||
| MIN | TYP | MAX | |||
| 电机类型 | 步进电机,2相位电机 | ||||
| 电机电流 | 150 | 200 | mA | 2相开启 | |
| 推荐直流控制电压 | 3.0 | 3.3 | 3.6 | V | 全步进和两个线圈都是通电的 |
| 每步脉冲宽度 | 1.25 | 2.0 | ms | ||
| 电机电阻 | 20 | ||||
| 电机功耗 | 2 | W | 在-5~70℃温度范围 | ||
3 绝对最大限定额值
| 参数 | 规格 | 单位 |
| 操作温度 | -5 ~ +70 | °C |
| 操作湿度 | 5 ~ 95 | %RH |
| 储存温度 | -40 ~ 85 | °C |
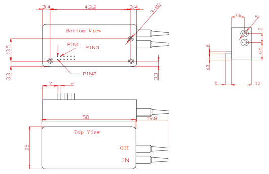
4电接口定义
| 引脚 | 定义 | 描述 | 备注 |
| 1 | 电机线圈A- | ||
| 2 | 电机线圈B | ||
| 3 | 电机线圈B- | ||
| 4 | 电机线圈A | ||
| 5 | 监测信号 | POT电刷,可移动触点:电压传感器 | |
| 6 | 监测供应+ | POT+,连接到稳定的(参考)正电源 | |
| 7 | 监测供应- | POT-,接地 | |
| 8 | 接地 | ||
| 9 | 无 | ||
| 10 | 无 | ||
| 11 | 无 | ||
| 12 | 无 |
5.850nm多模电可调衰减器机械图纸

6.尾纤和连接头
| 参数 | 规格 | 单位 | 备注 |
| 尾纤类型(所有端口) | 62.5/125um or 50/125um | 根据客户要求 | |
| 尾纤长度(所有端口) | L+/- 0.1 | m | L 指 PN 中的光纤长度要求 |
| 连接头类型(所有端口) | 根据客户要求 |
