三、PM MEMS光衰减器的技术参数
参数 单位 指标 备注 波长范围 nm 1260-1650nm or 980nm/1064nm 衰减类型 Normally bright or dark 衰减范围 dB ≥30 最大衰减范围 dB ≥45 插入损耗 dB ≤0.7 (0.5 Typ.) 不含连接头损耗 衰减类型 连续 波长相关损耗 dB ≤0.1 在0dB测试 ≤1 在20dB测试 纹波 dB ≤0.05 0.4nm 带宽在20dB测试 偏振相关损耗 dB ≤0.1 在0dB测试 ≤1 在20dB测试 温度相关损耗 dB ≤0.15 在0dB测试比较 ≤1 在20dB测试比较 回波损耗 dB ≥55 偏振模色散 ps ≤0.5 响应时间 ms ≤2 (1 Typ.) 10-90% 光功率 承受光功率 mW 300 驱动电压 VDC 6V 在5.2v 典型是40db 功耗 mW ≤2 工作温度 ℃ 0 to 70 贮藏温度 ℃ -40 to 85
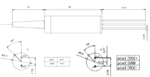
尺寸图

曲线图

v88体育qcom光电PM MEMS光衰减器订货信息
VOA 端口 工作波长 光纤类型 光纤长度 连接头 1=常闭
2=常开0101=1X1
XX=others10=1060nm
13=1310nm
15=1550nm
16=1625nm
X=others1=裸光纤
2=900um光纤
XX=others0=0.5m
1=1m
X=others0=None
1=FC/APC
2= FC/PC
3=SC/APC
4=SC/PC
5=ST
6=LC
XX=others
PM MEMS光衰减器拓展资料
一、PM MEMS光衰减器的工作原理
1、微机械结构运动:PM MEMS光衰减器通过控制微机械结构的微小位移或形变,实现对光信号强度的调节。这些微机械结构通常采用反射镜、光栅等形式,通过静电驱动、热驱动或磁驱动等方式实现精确控制。
2、光路调节:当光信号进入PM MEMS光衰减器时,它会经过微机械结构的调节,从而改变光信号的传输路径或反射率。通过精确控制微机械结构的运动,可以实现对光信号强度的连续调节,满足光通信系统的实际需求。
3、高精度反馈控制:PM MEMS光衰减器还配备了高精度反馈控制系统,通过实时监测光信号的强度变化,对微机械结构的运动进行微调,确保光信号强度的稳定调节。
二、PM MEMS光衰减器的应用范围
1、光通信系统:PM MEMS光衰减器在光通信系统中发挥着重要作用,可用于光功率均衡、信道传输均衡等场景。通过精确调节光信号强度,可以确保光信号在适当的范围内传输,提高系统的传输质量和稳定性。
2、光网络管理:在光网络中,PM MEMS光衰减器可用于光自动增益调节、光接收器的保护等场景。通过实时调节光信号的衰减量,可以确保网络在各种工况下都能保持稳定的传输性能,保护光接收器免受损坏。
3、光器件测试:在光通信器件的测试与测量过程中,PM MEMS光衰减器同样发挥着重要作用。它可以作为标准衰减器使用,为测试系统提供精确的衰减量参考。同时,其高精度和稳定性也使得它成为校准其他光学元件和测试设备的理想选择。
4、光传感领域:PM MEMS光衰减器还可用于构建高性能的光学传感器。通过精确控制光信号的衰减量,可以实现对光学传感器灵敏度的调节,提高传感器的测量精度和稳定性。