射频微波低噪声放大器6-18GHz
射频微波低噪声放大器6-18GHz,型号为ZGLNA-6-18-G32P18S,具有低噪声性能、高增益、宽频带覆盖、稳定性好的特点,主要应用于无线通信、雷达探测、微波测量、电子对抗等领域
产品咨询
详细信息

射频微波低噪声放大器6-18GHz

一、射频微波低噪声放大器6-18GHz基础参数(Features)
频率范围(Frequency Range):6-18GHz
连接器(Connectors):IN:SMA-F(母),OUT:SMA-F(母)
型号(Model):ZGLNA-6-18-G32P18S
增益(Gain):32 dB typ
P1dB:18 dBm typ
噪声系数(Noise Factor):2.2 dB typ
供电电源(Power Supply Voltage):+12 V/240mA
二、射频微波低噪声放大器6-18GHz优点(Advantage)
1、低噪声性能:在6-18GHz频段内,低噪声功率放大器能够显著降低自身产生的噪声,提高信噪比,确保信号的清晰度和准确性。  
2、高增益:放大器能够提供较高的增益,将微弱的输入信号放大至足够的功率水平,以满足后续电路的处理需求。  
3、宽频带覆盖:覆盖6-18GHz的宽广频段,适用于多种无线通信、雷达探测及微波测量等应用场景。  
4、稳定性好:采用先进的电路设计和优质的材料,确保放大器在宽频段内具有良好的稳定性和一致性。
三、射频微波低噪声放大器6-18GHz主要性能指标(Electrical Specifications)

     参数
最小值
典型值最大值
单位
    频率范围 Frequency
6-18
GHz
    增益 Gain
-32-dB
    增益平坦度 Gain Flatness
-±2.0
-dB
    噪声系数 Noise Figure
-2.2-dB
    P1dB
-18-dBm
    输入驻波 Input VSWR
-1.8-:1
    输出驻波 Output VSWR
-2.0-:1
    特性阻抗 Characteristic Impedance
50
ohm
    输入功率 Input Power (CW)
--+5
dBm
    电压 Voltage
12
V
    电流 Current
240mA
    工作温度范围 Operating Temperature
-40

+55

    保存温度范围 Storage Temperature
-40

+85

    重量 Weight
80g
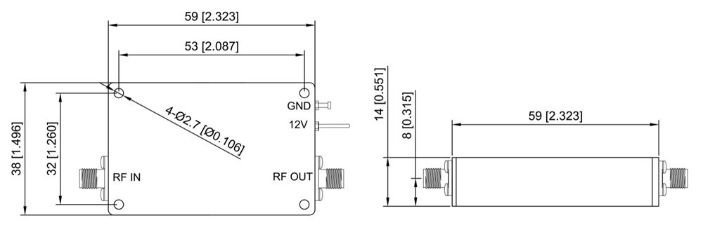
四、射频微波低噪声放大器6-18GHz外形尺寸图(Outline Drawing)单位:毫米/英寸(mm/inch)

射频微波低噪声放大器6-18GHz外形尺寸图
五、射频微波低噪声放大器6-18GHz拓展资料
一、射频微波低噪声放大器6-18GHz工作原理(Working principle)
6-18GHz低噪声功率放大器的工作原理基于先进的晶体管或场效应管的非线性放大特性。当输入信号进入放大器时,首先通过输入匹配网络进行阻抗匹配,以减少信号反射和损失。随后,信号被送入放大器单元,其中晶体管或场效应管根据输入信号的幅度和相位进行精确放大。
在放大过程中,放大器单元会引入一定的噪声,但低噪声功率放大器通过采用先进的电路设计和优质的材料,将这一噪声降至最低。最后,放大后的信号通过输出匹配网络,调整输出阻抗,以减少信号在传输过程中的损失,并传输到下一级电路或天线。
二、射频微波低噪声放大器6-18GHz应用领域(Application area )
1、无线通信:如移动通信基站、卫星通信系统等,提高信号覆盖范围和传输质量。  
2、雷达探测:用于气象观测、军事侦察、交通监控等领域,提高雷达系统的探测距离和分辨率。  
3、微波测量:用于微波网络分析仪、频谱分析仪等测试设备,提供稳定的信号输出和测量精度。  
4、电子对抗:在军事电子对抗中,低噪声功率放大器可用于提高接收机的灵敏度和抗干扰能力。

三、v88体育qcom光电射频微波低噪声放大器6-18GHz的生产制造优势

v88体育qcom光电科技有限公司,作为光通信设备和光通讯芯片的研发、设计、生产及销售的高新技术企业,在6-18GHz低噪声功率放大器的生产制造方面具有显著优势:


1、技术领先:梓冠光电拥有一支由行业专家组成的研发团队,致力于低噪声功率放大器的技术创新和产品研发。公司采用先进的生产工艺和测试设备,确保每一台放大器都具备优异的性能和稳定性。
2、品质卓越:梓冠光电严格把控原材料采购和生产过程,确保产品的品质达到国际先进水平。公司通过了ISO9001质量管理体系认证,为客户提供可靠的质量保障。
3、定制服务:梓冠光电提供针对特定应用的定制化解决方案,满足客户个性化需求。无论是无线通信、雷达探测还是微波测量等领域,梓冠光电都能提供最适合的低噪声功率放大器产品。
4、生产规模:梓冠光电拥有大规模的生产基地和先进的生产线,能够高效、稳定地生产6-18GHz低噪声功率放大器,满足客户的批量需求。
5、售后服务:梓冠光电建立了完善的售后服务体系,为客户提供及时、专业的技术支持和维修服务。公司拥有一支经验丰富的售后服务团队,能够迅速响应客户的需求和问题,确保客户在使用过程中的无忧体验。
返回列表
为您推荐