光开关优化
发布时间:2023-04-12
光开关优化
尊敬的各位客户:
您好!
我司于2023年改版优化了机械式光开关的参数,具体参数如下,请悉知。
具体产品详情,请您致电各区域负责人,谢谢。另:我厂接受各类光通信产品的定制,如:光延迟线,光衰减器,光开关,激光器,泵浦合束器,PLC分路器等欢迎您的来电咨询。
华南:张经理 18190011210 西南:羊经理 15328231102
华东:王经理 18190010738 华中:陈经理 17308159058
东北:牟经理 18190013052

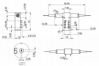
尺寸图(单位mm):

引脚定义

Type | Status | Optical Path | Electric Drive | Status Sensor | ||||||
1x2 |
|
| Pin 1 | Pin 5 | Pin 6 | Pin 10 | Pin 2-3 | Pin 3-4 | Pin 7-8 | Pin 8-9 |
锁定 | A | C1→O2 | -- | -- | GND | V+ | Close | Open | Open | Close |
| B | C1→O1 | V+ | GND | -- | -- | Open | Close | Close | Open |
非锁定 | A | C1→O2 | -- | -- | -- | -- | Close | Open | Open | Close |
| B | C1→O1 | V+ | -- | -- | GND | Open | Close | Close | Open |
电流和电阻参数:
| 规格 | 电压 | 电流 | 电阻 |
5V | 锁定 | 4.5~5.5V | 36~44mA | 125Ω |
5V | 非锁定 | 4.5~5.5V | 26~32mA | 175Ω |